キワモノ系第四弾
【MDD専用FanController】
<取扱説明書>
|
|
MDD不動ジャンク(OS 9可)を首尾よく修理し、最強MDDを目指し改良を目論んだのだが、OS 9起動時の騒音にすっかり意気消沈の私であった。自慢の改造電源を搭載しCPUファンを交換してみたが、OS 9起動時は明らかに五月蝿い(OS X起動時はまあまあ)。原因は次の2点だろう。
1)OS Xよりファンの回転数が多め。
2)回転数のステップアップ巾が大きい。
特に2)は重要。騒音レベルが一定だとかなりの騒音でも意外と気にならないが、騒音が変動すると耳障りに感じるものだ。 試しにCPUファンにファンコンを取り付けてみよう。と、軽い思いつきでアイネックスのFC-01Wを購入してみたが・・・。 結論だけ書くと、ファンコンでCPUファンの回転数を落としてもCPU温度が上昇するためOSの制御電圧が上がり、結局五月蝿くなる。CPU温度が上がるだけなので止めた方が良さそう。12Vラインを利用してファンを定速回転させる手もあるが、熱暴走を回避するためにCPU温度の監視が必要。それも億劫な話だ。 |

<クリックで拡大>
|
そこでキワモノ系第四弾、「そこそこ静かなOS 9環境を実現するためのファンコン」を製作してみよう。目標とする条件は、
1)OS制御で変動する電圧をさらにコントロールできる。
2)OSの制御電圧がある程度以上になったらファンコン機能は無効にして熱暴走を防ぐ。
3)ファンの回転数を、ステップアップではなくて徐々に変化させる。
何度も書くが、私は電気工作に関しては素人である。例によって情報を求めネットをうろついてみると、ファンコン自作の情報はかなりあるねぇ。一番安くて簡単なのは、やはり三端子レギュレータを使う方法らしい。でもこの方法だと「OS制御で変動する電圧をさらにコントロール」は無理みたいだ。で、注目したのがPWM制御。これなら変動する電圧をさらにコントロールできる。こちらの記事を参考に書いた回路図が左。ちなみにこの記事の3ページ目の「回路図その2」は抵抗の数値が間違っている部分があるので要注意。
|
|
上の回路図の解説。電子回路に興味のない方は読み飛ばして可。左上のブロックが要の部分。「NE555」はタイマーIC。この回路では、まず3番の端子から+が出力され68 Kの抵抗を通して0.33 uFのコンデンサが充電される。コンデンサに電荷が溜まり8 Vになると3番端子が「COM」に接続されコンデンサの電荷が放電される。コンデンサの電圧が低下して4Vになるとまた3番から+が出力される。この動作の繰り返しで(概ね)三角波が出力される(左図青線)。NE555の右側にある右向き三角形はオペアンプだがこの場合はコンパレータとして使用している。すなわち、+入力>-入力なら三角形の右側の頂点から+が出力され、逆なら出力がなくなる。この+入力に先ほどの三角波を入れ、-入力に左側の10 Kのボリュームで調節した電圧(この場合約3.9〜6.1 V)を入れる(左図の赤線)。と、赤線の太い部分の時だけオペアンプから+出力があり、FETがONとなりファンに電力が供給される。「A」はOS制御の電圧をPWM制御した出力でCPUファン用、「B」は12 VをPWM制御した出力で増設ファンに使うためのもの。 左下のブロックは安全装置で、10 Kのボリュームで設定した電圧とOS制御電圧を比較して、OS制御電圧の方が高ければリレーを作動させて、「C」の出力へOS制御の電圧を直結する。 右上側のブロックは「CoolingAfter Module」の回路まんまなのでそちらの解説を参照。 その下にあるオペアンプは・・・オペアンプはだいたい2個か4個セットになっているので、この回路だと1個余る。CoolingAfter Moduleの回路に組み込もうかと思ったがうまくいかないので余らせてある。
|
 <クリックで拡大>
|
実際にテスト基板を作って上の回路を動作させてみると、ファンの回転はボリュームでなめらかにコントロールされ、まずまずのでき。だが最大出力が7 V程度しか出ない。このへんはオペアンプやFETの性能に依存する部分だが、いい部品は高価でもある。 さらにオペアンプ1個を余らせておくのも癪だ。ネットで調べるとオペアンプで(ほぼ)三角波を出力できることが判ったので、左の回路図に変更してみた。NE555の部分をオペアンプに置き換えてある。これで部品代が節約できる。またPWMのスイッチングをFETからパワートランジスタに変更してみた(一般的にトランジスタの方が安いから)。左下の安全装置回路と右側のCoolingAfter回路は上と同じ。 この回路のテスト基板を動かしてみると、上の回路の基板とほとんど同じ使い心地で、最大出力は9 Vちょっと。安全装置付きなので最大出力についてはこの程度でも可としておこう。これで先に挙げた条件の
1)OS制御で変動する電圧をさらにコントロールできる。
2)OSの制御電圧がある程度以上になったらファンコン機能は無効にして熱暴走を防ぐ。
を満たすファンコンになるはず。CoolingAfter機能付きで、これでもまあまあ満足できるファンコンかと思う。
|

|
が、しかし!
3)ファンの回転数を、ステップアップではなくて徐々に変化させる。
を実現したい。冒頭に書いたとおり、作業中に騒音が変動すると集中力を削がれる。なるべく変動を緩やかにしたいじゃないか。 ステップアップするOS制御電圧を滑らかにする方法は? 例えば左の下図。入力の電圧が上がると抵抗を通してコンデンサが充電されるため、コンデンサの両端の電圧は入力電圧と等しくなるまで徐々に上昇する。入力電圧が下がった場合も、コンデンサの放電に伴い出力の電圧は徐々に低下する。しかしこれは電圧だけを考えた場合の話。この出力にファンを接続しても、抵抗で電圧降下が生じるためファンにかかる電圧は非常に小さくなってしまう。何かうまい手はないものかと再びネットをうろついていると、目に留まったのがこの解説。 |
|
難しい話は省いて説明すると、オペアンプの出力を-入力に接続しておくと、+入力と-入力が等しくなるようにオペアンプの出力が調節されるということ。例えば図1の回路でR1とR2が等しいとすれば、出力の1/2が-入力となる。これが+入力と等しくなるように出力が調節されるので、出力は+入力の2倍になる。ただしオペアンプの出力から得られる電流は小さいので(大電流が取れるヤツもあるらしいが)、直接ファンを回すのは無理。 そこで間にトランジスタを入れてやる。図2の回路では、+入力と出力の電圧が等しくなるようにオペアンプがトランジスタをコントロールしてくれる。この回路ならパワートランジスタを使えば出力にファンをつないで回せる。 そこで図3。都合の良いことにオペアンプの入力にはほとんど電流が流れない。つまりこの回路なら、コンデンサの電圧と同じ電圧でファンを回せるわけだ。この出力を先ほどの回路でPWM制御してやれば、見事目標とするファンコンの出来上がりだ。 |
|
・・・が、待てよ。オペアンプでこんなに簡単に電圧を制御できるなら、わざわざPWM制御にする必要ないじゃん。左図。10KのボリュームでOS制御電圧を0.5〜1倍に調節できる。その電圧と等しい出力電圧が得られるのだ。トランジスタの発熱対策が必要と思われるが、PWM制御よりずっと単純化できそうだ。
|
 <クリックで拡大>
|
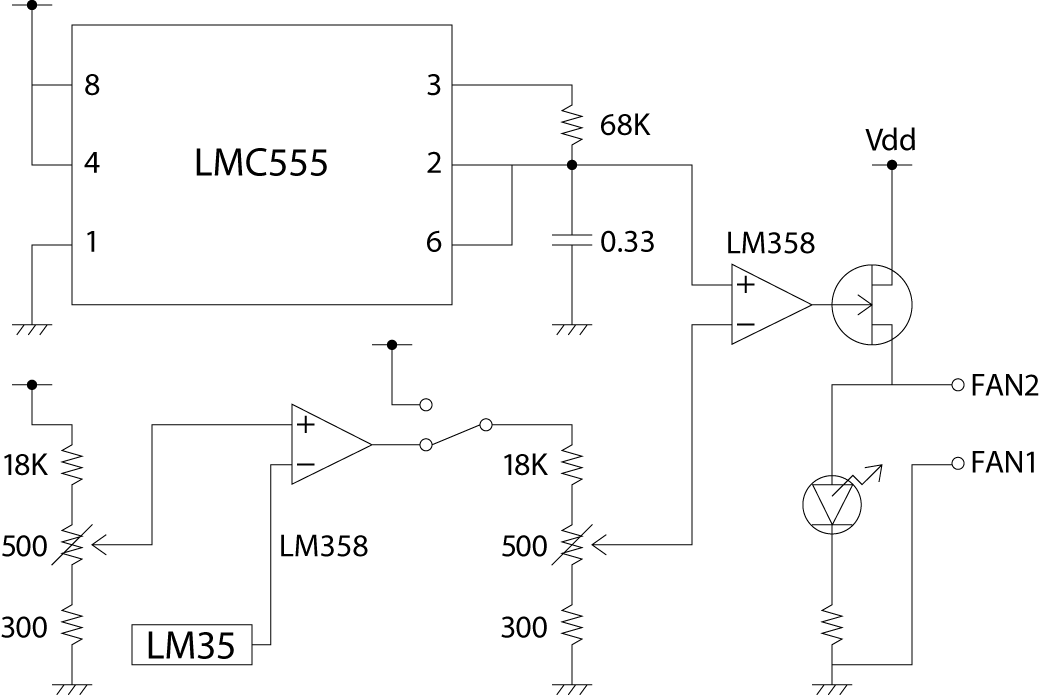
で、設計しなおしたのが左図。今度は左上が安全装置で、左下のブロックがファンコン回路になっている。
解説。OS制御の電圧を100 Kのボリュームと470 uFのコンデンサでなだらかに変化させ、オペアンプ2/4に入力。オペアンプ2/4の出力は+入力と等しくなるのでコンデンサの電圧がそのまま出力され(ボルテージフォロア)、この出力を10 Kのボリュームで調節して必要な電圧を得る。「入力と出力が等しいなら、そのまま結べばいいじゃん?」と思うでしょ。でもダメなの。これが無いと10 Kのボリュームの上流に100 Kのボリュームをつないだ状態になっちゃうから。で、3/4のオペアンプでトランジスタをコントロールしてCPUファンを回す。オペアンプ4/4は増設ファンのコントロール用。 左上ブロックの安全装置は先ほど解説したとおり。100 uFのコンデンサが付いているが、これはファンが回転を開始する際に十分な電力を供給するためのもの。つまり100 uFが充電されてOS 制御電圧を上回るまではOS制御電圧が直接ファンに流れる仕組み。ついでに下のブロックのトランジスタをONにして470 uFを充電する。こうしておかないと、起動後しばらくファンが回転しない。 早速テスト基板で実験してみると・・・ |
<NEXT>
|